岡本無線電機の通販サイト | E-JUNCTION(イージャンクション)

  • お見積り依頼
  • お問い合わせ

カテゴリーカテゴリーから探す

5,000円(税込5,500円)以上のご購入で送料無料!5,000円(税込5,500円)以上のご購入で送料無料!

URD(ユー・アール・ディー) 大口径、パネル取付用の大型・高変流比交流電流センサ CTL-36-S56-20

URD(ユー・アール・ディー) 大口径、パネル取付用の大型・高変流比交流電流センサ CTL-36-S56-20

E-Junction価格 : 4,260円(税込4,686 円)

  • 注目

標準納期:1週間

最低注文数:1    注文単位数:1 (単位:個)

メーカー:URD(ユーアールディー)

メーカー品番 :CTL-36-S56-20

メーカーサイトへ

〔特 長〕
・貫通穴径φ36の大口径、大型の標準電流センサの高変流比型です。
・適用電流最大800Aで、一般計測用CTL汎用シリーズの最上位機種。
・2000:1の高変流比で、データー変換器(例:CMD-1-CV3)の2倍スケール対応などに便利です。
・出力:M3-ネジ端子、取付穴:2-φ4.5と、大型の盤内組込に適した堅牢な構造。

数量

  • 単価 ¥

    4,260円(税込4,686 円)

5,000円(税込5,500円)以上の購入で送料無料です。
5,000円(税込5,500円)未満の場合、一律1,000円(税込1,100円)の送料をご負担頂きます。

(0 個) 小計: ¥0(税込:0)

仕様詳細

URD(ユー・アール・ディー) 大口径、パネル取付用の大型・高変流比交流電流センサ CTL-36-S56-20
画像を拡大する

備考
(1)出力電圧は、貫通電流/負荷抵抗/結合係数(K)等のパラメーターにより変化します。各特性図をよく吟味して使用条件を設定してください。
(2)結合係数(K)値が0.9以下での使用は製品個体差が出やすい領域となるため、充分なマージンを持ってご使用ください。
(3)通電中の二次側開放は高電圧が発生する場合があり危険ですし、故障の原因になります。
(4)電力計測をお考えの場合は、必ずご相談ください。

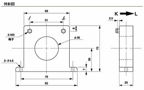
外形図

URD(ユー・アール・ディー) 大口径、パネル取付用の大型・高変流比交流電流センサ CTL-36-S56-20
画像を拡大する

出力電圧特性

URD(ユー・アール・ディー) 大口径、パネル取付用の大型・高変流比交流電流センサ CTL-36-S56-20
画像を拡大する