岡本無線電機の通販サイト | E-JUNCTION(イージャンクション)

  • お見積り依頼
  • お問い合わせ

カテゴリーカテゴリーから探す

5,000円(税込5,500円)以上のご購入で送料無料!5,000円(税込5,500円)以上のご購入で送料無料!

マックエイト(MAC8) オシロプローブ用チェック端子 LC-3-S 「在庫掲載」

マックエイト(MAC8) オシロプローブ用チェック端子 LC-3-S 「在庫掲載」

E-Junction価格 : 5.40円(税込5.94 円)

  • 在庫掲載

メーカー:マックエイト(MAC8)

メーカー品番 :LC3S

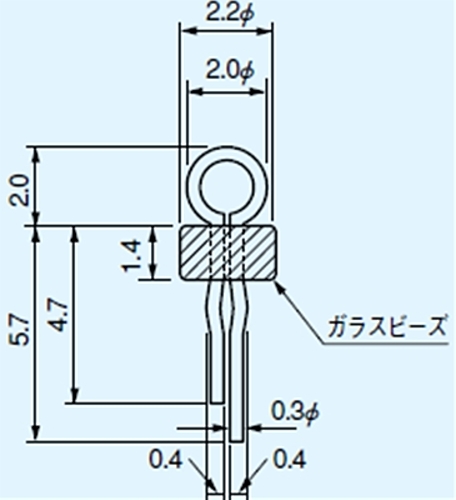
・2.54mmピッチで立てられます。
・オシロスコープのプローブが全方向から引掛けられます。
・ガラスビーズの色は10種類ありますので、信号ラインごとに色わけすることができます。
・材質……リン青銅0.3φ
・処理……LC-3-G……ニッケル下地金メッキ
LC-3-S……ニッケル下地スズメッキ
・プリント板取付穴径……0.8φ
・使用温度範囲…-40~+150℃
・ビーズ色種類……黒、茶、赤、ダイダイ、黄、ウグイス、緑、空、紫、白
・御注意
茶、赤、ダイ、黄の4色にはRoHSで規制されているカドミウムがガラスの中に含有しています。
技術的にカドミウムなしでは製造不可能の為、下記のLC-33を用意しています。
残りの6色についてはカドミウムは含有していません。(ただし除外規定があります。総合カタログの18ページ御参照下さい。)

※在庫切れの場合は別途御相談させて頂きます。

色:

数量

  • 単価 ¥

    5.40円(税込5.94 円)

5,000円(税込5,500円)以上の購入で送料無料です。
5,000円(税込5,500円)未満の場合、一律1,000円(税込1,100円)の送料をご負担頂きます。

(0 個) 小計: ¥0(税込:0)