岡本無線電機の通販サイト | E-JUNCTION(イージャンクション)

  • お見積り依頼
  • お問い合わせ

カテゴリーカテゴリーから探す

5,000円(税込5,500円)以上のご購入で送料無料!5,000円(税込5,500円)以上のご購入で送料無料!

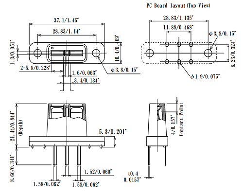
日本コネクト工業 パワートランジスタ用ソケット T3P-L214-ST-HT-P

日本コネクト工業 パワートランジスタ用ソケット T3P-L214-ST-HT-P

E-Junction価格 : 個別見積

  • RoHS10対応

標準納期:2週間

最低注文数:10    注文単位数:10 (単位:個)

メーカー:日本コネクト工業(JC)

メーカー品番 :T3P-L214-ST-HT-P

メーカーサイトへ

様々なタイプのパッケージに対応可能。高温・高耐圧タイプ。樹脂はPEEK材を使用。

数量

5,000円(税込5,500円)以上の購入で送料無料です。
5,000円(税込5,500円)未満の場合、一律1,000円(税込1,100円)の送料をご負担頂きます。

(0 個) 小計: ¥0(税込:0)

使用例

日本コネクト工業 パワートランジスタ用ソケット T3P-L214-ST-HT-P
画像を拡大する

対応パッケージ:TO-220 TO-3P TO-66 TO-247 TO-254 TO-262 TO-264

寸法図

日本コネクト工業 パワートランジスタ用ソケット T3P-L214-ST-HT-P
画像を拡大する