岡本無線電機の通販サイト | E-JUNCTION(イージャンクション)

  • お見積り依頼
  • お問い合わせ

カテゴリーカテゴリーから探す

5,000円(税込5,500円)以上のご購入で送料無料!5,000円(税込5,500円)以上のご購入で送料無料!

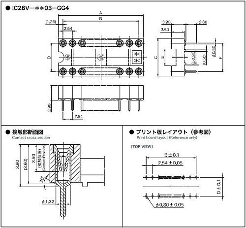
山一電機 ICソケット IC26V-0603-GG4

山一電機 ICソケット IC26V-0603-GG4

E-Junction価格 : 116円(税込127.60 円)

  • 注目

標準納期:6ヶ月

最低注文数:69    注文単位数:69 (単位:個)

メーカー:山一電機(YAMAICHI)

メーカー品番 :IC26V-0603-GG4

メーカーサイトへ

・信頼性の高い4点接触の丸ピンコンタクト
・切削スリーブが、はんだ、フラックスの侵入を防止
・スタンドオフによって、はんだのブローホールを防止
・RoHS指令対応

製品仕様
・絶縁抵抗 1000MΩ以上
・耐電圧 AC700V(1分間)
・接触抵抗 20mΩ以下
・定格電流 1A
・使用温度 -65℃~+125℃

材質
・インシュレータ PA樹脂ガラス入り(UL94V-0)    
・コンタクト 銅合金、金めっき


※写真はイメージです。

数量

  • 単価 ¥

    116円(税込127.60 円)

5,000円(税込5,500円)以上の購入で送料無料です。
5,000円(税込5,500円)未満の場合、一律1,000円(税込1,100円)の送料をご負担頂きます。

(0 個) 小計: ¥0(税込:0)